响应速度快
采用电阻应变式原理,精度高
长期串扰误差小,长期稳定性强

多维力传感器
响应速度快
采用电阻应变式原理,精度高
长期串扰误差小,长期稳定性强
技术参数| 量程范围 | Fxyz=1000N Mxyz=20N.m | 材质 | 不锈钢 |
| 非线性 | ≤0.5%F.S. | 重复性 | ≤0.1%F.S. |
| 零点输出 | ±5%F.S. | 工作温度范围 | -20 ~ 80℃ |
| 温度补偿范围 | -10 ~ 40℃ | 绝缘电阻 | ≥2000MΩ |
| 供电电压 | 48VDC | 极限超载 | 300%F.S. |
| 温度灵敏度漂移 | ≤0.1%F.S./10℃ | 零点灵敏度漂移 | ≤0.1%F.S./10℃ |
| 串扰误差 | 2%F.S. | 防护等级 | IP63 |
| 电缆线尺寸 | 7m | 输出信号 | RS485 |
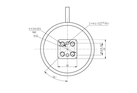
外形尺寸


产品图纸


售后服务为所有售后服务提供坚实支撑,确保服务质量和效率:
1、全国服务网点:在国内主要工业城市设立服务网点和检测中心,实现区域化服务覆盖,缩短现场服务响应时间;
2、原厂工程师团队:所有服务工程师均经过专业培训和考核,具备传感器 / 关节模组的调试、维修、校准全流程能力,持证上岗;
3、标准化服务流程:建立从服务受理 - 故障诊断 - 解决方案 - 服务执行 - 售后回访的标准化流程,确保每一项服务都有记录、有跟踪、有保障;
4、服务质量回访:所有服务完成后,72 小时内对客户进行回访,收集客户意见,持续优化服务流程和服务质量。
承诺12小时快速解决问题,7x24小时及时响应,36小时现场维修。