采用高精度电阻应变式原理。
S型结构设计,拉压双向,安装使用方便灵活。
不锈钢材质。

压力传感器
采用高精度电阻应变式原理。
S型结构设计,拉压双向,安装使用方便灵活。
不锈钢材质。
技术参数| 项目 | 参数 | 项目 | 参数 |
|---|---|---|---|
| 量程 (可选) | 5kg,10kg,20kg,50kg,100kg,200kg | 输出灵敏度 | 2.0±10%mV/V |
| 非线性 | 0.05%F.S. | 重复性 | 0.05%F.S. |
| 零点输出 | ±2%F.S. | 工作温度范围 | -20~80℃ |
| 温度补偿范围 | -10~40℃ | 绝缘电阻 | ≥5000MΩ/100VDC |
| 推荐激励电压 | 5-10VDC | 安全超载 | 150%F.S. |
| 温度灵敏度漂移 | 0.05%F.S./10℃ | 零点灵敏度漂移 | 0.05%F.S./10℃ |
| 电缆线尺寸 | φ2x4m | 防护等级 | IP65 |
| 电缆线连接方式 | Ex+: 红;Ex-: 黑;Sig+: 绿;Sig-: 白 | ||
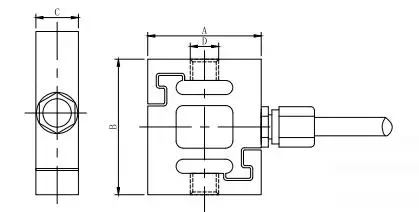
外形尺寸
产品图纸
售后服务为所有售后服务提供坚实支撑,确保服务质量和效率:
1、全国服务网点:在国内主要工业城市设立服务网点和检测中心,实现区域化服务覆盖,缩短现场服务响应时间;
2、原厂工程师团队:所有服务工程师均经过专业培训和考核,具备传感器 / 关节模组的调试、维修、校准全流程能力,持证上岗;
3、标准化服务流程:建立从服务受理 - 故障诊断 - 解决方案 - 服务执行 - 售后回访的标准化流程,确保每一项服务都有记录、有跟踪、有保障;
4、服务质量回访:所有服务完成后,72 小时内对客户进行回访,收集客户意见,持续优化服务流程和服务质量。
承诺12小时快速解决问题,7x24小时及时响应,36小时现场维修。