长寿命、高分辨率、高重复性、低温漂
高频响、多重保护、抗电磁干扰、耐振抗冲

角度位移传感器
长寿命、高分辨率、高重复性、低温漂
高频响、多重保护、抗电磁干扰、耐振抗冲
技术参数| 量程范围 | 0-360°(±180°) |
| 产品性能 | 精度 0.2° 分辨率 0.02° |
| 工作电压 | DC 9~36V(5V 可选) |
| 宽温工作 | -40~+85°C |
| 防护等级 | IP66(IP67 可定制) |
| 采样率 | 1K HZ |
| 输出 | RS232/RS485/TTL/RS422/CAN/ 电压 / 电流 |
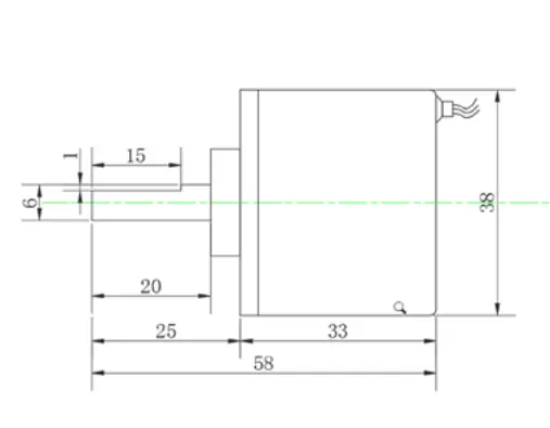
外形尺寸

产品图纸

售后服务为所有售后服务提供坚实支撑,确保服务质量和效率:
1、全国服务网点:在国内主要工业城市设立服务网点和检测中心,实现区域化服务覆盖,缩短现场服务响应时间;
2、原厂工程师团队:所有服务工程师均经过专业培训和考核,具备传感器 / 关节模组的调试、维修、校准全流程能力,持证上岗;
3、标准化服务流程:建立从服务受理 - 故障诊断 - 解决方案 - 服务执行 - 售后回访的标准化流程,确保每一项服务都有记录、有跟踪、有保障;
4、服务质量回访:所有服务完成后,72 小时内对客户进行回访,收集客户意见,持续优化服务流程和服务质量。
承诺12小时快速解决问题,7x24小时及时响应,36小时现场维修。