极致轻量化设计;灵活多样的安装形式。

关节组件
极致轻量化设计;灵活多样的安装形式。
技术参数| 项目 | 单位 | TCHL-14-51 | TCHL-14-81 | TCHL-14-101 |
| 减速比 | - | 51 | 81 | 101 |
| 输入 2000r/min 时的额定转矩 | N.m | 4.5 | 6.5 | 6.5 |
| 平均负载矩容许最大值 | N.m | 6 | 8 | 9.5 |
| 启停扭矩 | - | 15 | 19 | 24 |
| 峰值输出力矩 | N.m | 19 | 30 | 36 |
| 额定输出转速 | rpm | 58.8 | 37 | 29.7 |
| 峰值输出转速 | rpm | 78.4 | 49.3 | 39.6 |
| 额定电压 | V | DC 48 | ||
| 输出转动惯量 | Kg·m^2 | 0.025 | 0.064 | 0.100 |
| 容许倾覆力矩 | N.m | — | 30 | — |
| 力矩传感器 | - | — | 选配 | — |
| 重复定位精度 | arcsec | — | ≤10 | — |
| 传动精度 | arcsec | — | ≤60 | — |
| 编码器 | - | — | 双编码器,单圈绝对值,分辨率 17 位 | — |
| 驱动板通讯协议 | - | — | EtherCat/CanFd | — |
| 防护等级 | - | — | IP 54, 更新连接器后 IP 65 | — |
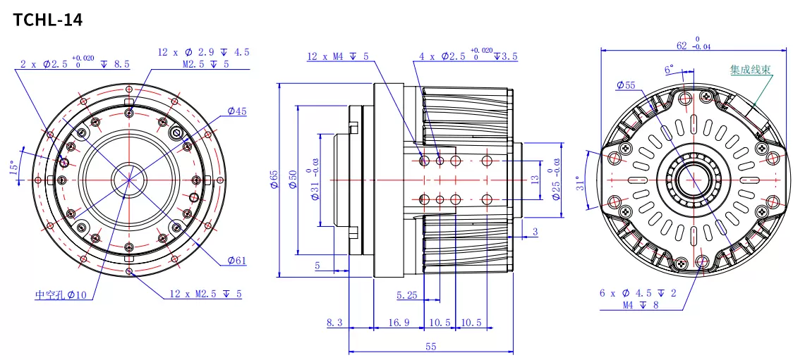
| 外观尺寸 (直径 X 高度) | mm | — | φ65*55 | — |
| 中空直径 | mm | — | φ10 | — |
| 重量 | Kg | — | 0.45 | — |
| 使用环境温度 | °C | — | -20°C~50°C | — |
外形尺寸
产品图纸
售后服务为所有售后服务提供坚实支撑,确保服务质量和效率:
1、全国服务网点:在国内主要工业城市设立服务网点和检测中心,实现区域化服务覆盖,缩短现场服务响应时间;
2、原厂工程师团队:所有服务工程师均经过专业培训和考核,具备传感器 / 关节模组的调试、维修、校准全流程能力,持证上岗;
3、标准化服务流程:建立从服务受理 - 故障诊断 - 解决方案 - 服务执行 - 售后回访的标准化流程,确保每一项服务都有记录、有跟踪、有保障;
4、服务质量回访:所有服务完成后,72 小时内对客户进行回访,收集客户意见,持续优化服务流程和服务质量。
承诺12小时快速解决问题,7x24小时及时响应,36小时现场维修。